
Ланцюги приводні роликові втулкові
Що таке ланцюги, для чого вони потрібні, які бувають, і як купити сільськогосподарські ланцюги - далі.
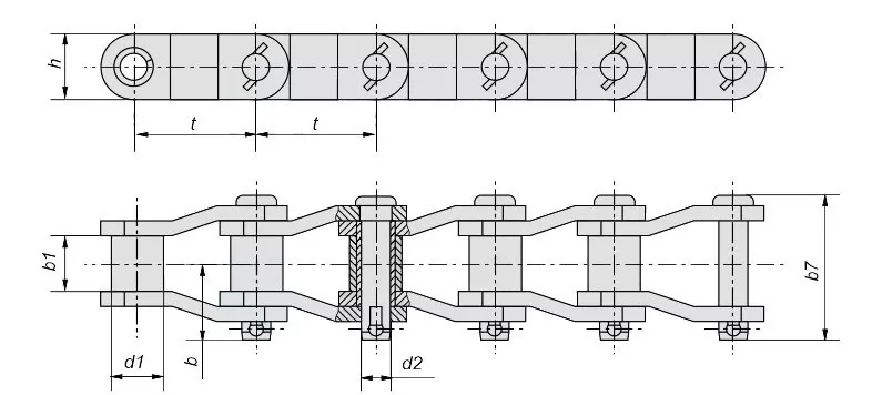
Ланцюг - одна з деталей техніки, який складається з з'єднаних між собою шарнірами ланок. Вони забезпечують необхідну рухливість або так звану «гнучкість» виробу. Важливими геометричними характеристиками деталі є: крок ланцюга (t) і відстань між її внутрішніми пластинами. Основною силовою характеристикою вважається - руйнівне навантаження, воно визначається в процесі випробувань на виробництві.
Головним призначенням ланцюгів для сільськогосподарської техніки - є передача механічного руху (енергії) від робочого органу машини до веденого механізму.
Якісний приводний ланцюг відрізняється:
- - високою надійністю;
- - стійкістю до корозії;
- - підвищеною міцністю, так як виготовлені зі сталі, твердих сплавів;
- - ударопрочністью;
- - безпекою експлуатації;
- - високою точністю кроку;
- - можливістю експлуатації при підвищених навантаженнях.
Тому компанія Арт-Агро пропонує ланцюги тільки від кращих провідних світових виробників. А так, як ми працюємо з фірмами безпосередньо, вас завжди порадують ціни на ланцюги.
Які бувають ланцюги для техніки
Найчастіше використовують класичні приводні ланцюги. Однак для деяких видів особливих машин використовують специфічні моделі: зі спеціальними вушками, додатковими упорами і крайками. Бувають навіть статичні варіанти з бічними фланцями.
Існують 2 різновиди сільськогосподарських ланцюгів. За своїм основним призначенням їх ділять на тягові і приводні.
Тягові ланцюги в свою чергу бувають: пластинчасті, розбірні, круглозвенні. Ланцюги підрозділяються також на однорядні приводні, дворядні, трирядні.
Приводний ланцюг
Його призначення - це передача механічної енергії (рух) від провідного вала агрегату до веденого валу в ланцюгових передачах. Буває з-х типів:
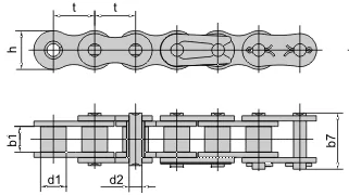
- Роликові - вони мають прямий контур пластини, іноді бувають розбірного типу. В основному такі ланцюги привідні роликові застосовуються для тракторів.
- Втулкові - їх використовують у пристроях, які працюють на знижених швидкостях. Їх особливість полягає в тому, що вони можуть ефективно функціонувати в умовах сильної запиленості повітря і підвищеної вологості.
- Зубчасті ланцюги - їх застосовують при високих навантаженнях і швидкостях.
- приводний роликовий ланцюг
приводний ланцюг з вигнутими пластинами
Особливістю ланцюгів є те, що вони підганяються під практично будь-який розмір, продаються на метраж. Завжди можна додати або прибрати ланки, для того, щоб отримати необхідний для вашої техніки розмір.
Для цього використовують окремі ланки. Їх так само можна купити в Арт-Агро.
Купити ланцюг для сільгосптехніки
Компанія Арт-Агро продає ланцюги для сільгосптехніки по всій території України. Здійснюємо доставку транспортними компаніями на ваш вибір. Ви отримаєте покупку протягом 1-3 днів, в залежності від дальності транспортування.
У нас Ви зможете придбати ланцюги і ланки в широкому асортименті, високої якості і за доступною ціною.
Оформити замовлення можна будь-яким зручним для вас способом:
- - У цьому інтернет магазині, через «Кошик», зв'язавшись з менеджером за допомогою форми зворотного зв'язку або чат;
- - Поштою, телефоном, через месенджери або приїхавши особисто в наш магазин.








































.webp)


